Магазин запчастей для бытовой техники - Arlos
Москва
close
Выберите ваш регион
АбаканАлександровАльметьевскАнгарскАрзамасАрмавирАртемАрхангельскАстраханьАчинскБалаковоБалашихаБеларусьБелгородБердскБерезникиБийскБлаговещенскБратскБрянскВеликий НовгородВидноеВладивостокВладикавказВладимирВолгоградВолгодонскВолжскийВологдаВолховВоркутаВоронежВоскресенскВыборгГатчинаГеленджикГрозныйДедовскДербентДзержинскДзержинскийДимитровградДмитровДолгопрудныйДомодедовоДонецкЕвпаторияЕгорьевскЕкатеринбургЕлецЕссентукиЖелезногорскЖелезнодорожныйЖуковскийЗеленоградЗлатоустИвановоИвантеевкаИжевскИркутскИстраЙошкар-ОлаКазаньКалининградКалугаКаменск-УральскийКамышинКаспийскКемеровоКерчьКировКисловодскКлинКовровКоломнаКомсомольск-на-АмуреКопейскКоролёвКостромаКотельникиКрасногорскКраснодарКраснознаменскКрасноярскКурганКурскКызылЛенинск-КузнецкийЛипецкЛобняЛыткариноЛюберцыМагнитогорскМайкопМалаховкаМахачкалаМиассМоскваМурманскМуромМытищиНабережные ЧелныНазраньНальчикНаро-ФоминскНахабиноНаходкаНевинномысскНефтекамскНефтеюганскНижневартовскНижнекамскНижний НовгородНижний ТагилНовокузнецкНовокуйбышевскНовомосковскНовороссийскНовосибирскНовоуральскНовочебоксарскНовочеркасскНовошахтинскНовый УренгойНогинскНорильскНоябрьскОбнинскОдинцовоОктябрьскийОмскОрелОренбургОрехово-ЗуевоОрскПавловский ПосадПензаПервоуральскПермьПетрозаводскПетропавловск-КамчатскийПодольскПрокопьевскПсковПушкиноПятигорскРаменскоеРеутовРостов-на-ДонуРубцовскРыбинскРязаньСакиСалаватСамараСанкт-ПетербургСаранскСаратовСевастопольСеверодвинскСеверскСергиев ПосадСерпуховСимферопольСмоленскСосновый БорСочиСтавропольСтарый ОсколСтерлитамакСтупиноСургутСызраньСыктывкарТаганрогТамбовТверьТихвинТольяттиТомилиноТомскТроицкТулаТюменьУлан-УдэУльяновскУссурийскУсть-ИлимскУфаУхтаФеодосияФрязиноХабаровскХанты-МансийскХасавюртХимкиЧебоксарыЧелябинскЧереповецЧеркесскЧеховЧитаШахтыЩелковоЭлектростальЭлистаЭнгельсЮжно-СахалинскЯкутскЯлтаЯрославль
  • - бесплатно по РФ
    Автоперезвон. Работает по принципу: Вы позвонили на номер, мы сбрасываем звонок и перезваниваем через 3 секунды.
  • - по Москве
  • 8 (925) 663-83-63

Call-центр

пн-вс: 10:00-19:00

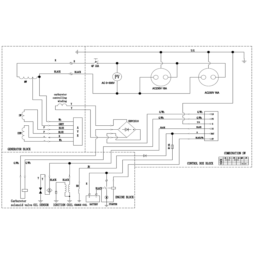
Генератор бензиновый GS-6500Е

Данная модель имеет несколько схем

NАртикулНазваниеСрок отгрузкиЦенаКупить
1.01 N000-033-169 Двигатель 188F
1.02 N000-033-337 Кран топливный с фильтром резьба М10х1.5/ёлочка D6 212 р.
1.03 N000-033-334 Бак топливный 1.741 р.
1.04 N000-033-336 Крышка топливного бака
1.05 N000-033-335 Фильтр топливный бензобака 83 р.
1.07 N000-033-345 Датчик уровня топлива 383 р.
1.10 N000-033-328 Втулка
1.11 N000-033-332 Прокладка бака резиновая 73 р.
1.13 N000-033-352 Крышка защитная
1.14 N000-033-363 Клеммная колодка
1.15 N000-033-366 Щетка графитовая 16х6х5 94 р.
1.18 V000-004-487 Блок электронной регулировки напряжения (AVR) 3-5 кВт 1.538 р.
1.19 N000-033-344 Кронштейн
1.20 N000-033-350 Опора генератора 1.541 р.
1.26 N000-033-180 Статор D190х140
1.27 N000-033-176 Ротор D119х140 14.493 р.
1.28 N000-033-354 Кронштейн
1.29 N000-033-286 Кронштейн
1.31 N000-033-353 Ограничитель правой крышки генератора
1.32 N000-033-294 Прокладка глушителя 30 р.
1.34 N000-033-296 Глушитель
1.36 N000-033-171 Рама
1.37 N000-033-341 Амортизатор (правый)
1.38 N000-033-339 Амортизатор (левый)
1.39 N000-033-342 Ножка резиновая
1.41 N000-033-359 Провод (плюс)
1.42 N000-033-361 Провод (минус)
1.44 N000-033-362 Фиксатор
1.47 N000-033-173 Панель управления
2.01 N000-033-262 Пружина привода дроссельной заслонки
2.02 N000-033-272 Привод дроссельной заслонки
2.04 N000-033-318 Шплинт
2.05 N000-033-327 Кольцо уплотнительное
2.06 N000-033-264 Рычаг регулятоора
2.07 N000-033-270 Прокладка
2.08 N000-033-266 Рычаг
2.09 N000-033-268 Пружина
2.11 N000-033-279 Кронштейн
2.13 N000-033-313 Стартер ручной в сборе 1.216 р.
2.15 N000-033-309 Крышка двигателя
2.17 N000-033-305 Шкив стальной
2.18 N000-033-303 Крыльчатка
2.19 N000-033-242 Маховик
2.20 N000-033-326 Сальник коленвала
2.22 N000-033-357 Магнето 710 р.
2.24 N000-033-355 Катушка зарядная 620 р.
2.25 N000-033-347 Фиксатор зарядной катушки
2.26 N000-033-321 Штифт
2.28 N000-033-306 Заглушка
2.30 N000-033-186 Прокладка сливного отверстия
2.31 V000-007-746 Реле датчика масла 157 р.
2.32 N000-033-329 Фиксатор
2.33 N000-033-189 Картер двигателя
2.34 N000-033-319 Штифт
2.35 V000-007-748 Датчик уровня масла поплавковый
2.37 N000-033-277 Шестерня
2.39 V000-002-385 Стартер электрический в сборе с реле 4.582 р.
2.40 N000-033-322 Подшипник 6202
2.41 N000-033-237 Вал балансировочный
2.42 N000-033-222 Шатун
2.43 N000-033-235 Вал коленчатый
2.44 N000-033-225 Поршень D90 170 р.
2.45 N000-033-228 Палец поршневой
2.47 N000-033-232 Кольцо поршневое 1
2.48 N000-033-324 Подшипник шариковый 6207 открытый (72х35х17) ZGMQ 542 р.
2.49 N000-033-183 Прокладка картера
2.50 V000-007-745 Датчик уровня масла поплавковый
2.51 N000-033-192 Крышка картера
2.53 N000-033-252 Распредвал в сборе
2.54 N000-033-248 Клапан подъемный
2.55 N000-033-210 Клапан выпускной
2.56 N000-033-207 Клапан впускной 121 р.
2.57 N000-033-195 Прокладка головки цилиндра 106 р.
2.58 N000-033-290 Фильтр воздушный в сборе
2.59 N000-033-282 Прокладка теплоизолятора
2.60 N000-033-331 Хомут топливного патрубка d8
2.61 N000-033-330 Шланг топливный L200 D8/d4
2.62 N000-033-274 Карбюратор P27-2 2.170 р.
2.63 N000-033-258 Прокладка карбюратора 45 р.
2.64 N000-033-260 Блок теплоизоляционный
2.65 N000-033-284 Прокладка теплоизолятора 30 р.
2.66 N000-033-316 Шпилька M8×32
2.67 N000-033-216 Головка блока цилиндра
2.68 N000-033-314 Шпилька M8 × 32
2.69 N000-033-298 Кронштейн
2.70 N000-033-244 Штанга толкателя
2.71 N000-001-726-2 Свеча зажигания F7TC для газонокосилок 383 р.
2.72 N000-033-203 Щит маслоудерживающий
2.73 N000-033-250 Пластина ограничительная
2.74 N000-033-198 Щит маслоудерживающий
2.75 N000-033-200 Пружина клапана
2.76 N000-033-205 Седло пружинное 24 р.
2.77 N000-033-202 Крышка клапана регулировочная
2.79 N000-033-254 Коромысло
2.81 N000-033-255 Контргайки клапана
2.82 N000-033-213 Уплотнение клапанной крышки 155 р.
2.83 N000-033-220 Крышка головки блока цилиндров
2.85 N000-033-288 Трубка
Найдено товаров: 98
1
▲ Наверх
0
8 (925) 663-83-63

Call-центр

пн-вс: 10:00-19:00

НАЙТИ ПО МОДЕЛИ
Введите номер заказа
Введите номер своего заказа, что бы узнать его текущий статус.
Что бы получить доступ к расширенным функциям, пройдите не сложную регистрацию. Зарегистрироваться